AiP431 is a three-terminal adjustable voltage regulator, which can meet the specified thermal stability in the applicable civil and industrial temperature ranges. Its output voltage can be arbitrarily set to any value in the range from Vref (2.5V) to 36V through two external resistors. The device has a typical output impedance of 0.2Ω. Provides very sharp shunt characteristics for active output circuits, making this device an excellent alternative to Zener diodes in many applications, such as operational amplifier circuits, adjustable power supplies, and switching power supplies.
main feature
High precision: 2%
Adjustable output voltage: Vref~36V
Wide operating temperature range: AiP431: -40℃~85℃
Low temperature drift: 6mV (standard)
Low output noise
0.2Ω output impedance
Sink current capacity: 1mA~100mA
Package form: TO-92/SOT23-5/SOT23-3
Pinout diagram
TO-92


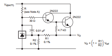
Typical application diagram
